Freitag: 8 - 14 Uhr
04103 - 903 870
info@business-trading.com
Sie zahlen einfach vorab und erhalten die Ware bequem und günstig bei Zahlungseingang nach Hause geliefert.
Bezahlung per PayPal - einfach, schnell und sicher.
Apple Pay ist die Zahlungsmethode des Unternehmens Apple. Diese Form der Online-Überweisung steht exklusiv nur auf Apple-Geräten zur Verfügung (z.B. Mac, iPhone, iPad).
Debit- und Kreditkartenzahlungen werden mit dem Online Zahlungsdienstleister Mollie durchgeführt. Mollie unterstützt alle weltweit führenden Kreditkartenmarken.
iDEAL ist eine Online-Bezahlmethode, die ausschließlich in den Niederlanden verfügbar ist.
Zahlen Sie mit direkt von Ihrem Bankkonto. Hinweis: Die Zahlart ist nicht in allen Ländern verfügbar; siehe "Versand & Zahlung".
Zahlen Sie nach Erhalt unseres schriftlichen Rechnungsdokumentes. Eine Lieferung auf Rechnung bieten wir nur Firmen (GmbH, GmbH & Co. KG, oHG, AG oder KG), Behörden, Schulen, Konzernen und Großkunden an.
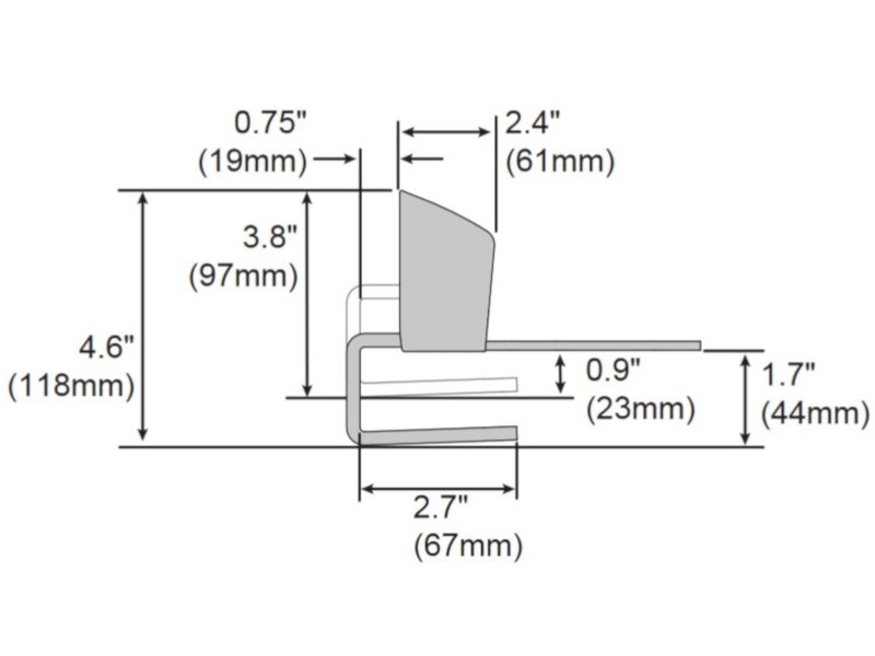
Ergotron Zubehör Tischklemme für HX Arme 98-122
Die Ergotron Tischklemme (98-122) eignet sich zur Befestigung von einfachen, zweifachen und dreifachen Ergotron HX Konfigurationen. Die Monitor Tischhalterung wird an den Schreibtisch geklemmt, wodurch weniger Platz auf dem Tisch eingenommen wird und mehr Platz zum Arbeiten entsteht.
Technische Details Ergotron Zubehör Tischklemme für HX Monitorhalterungen
- Geeignet für: einfache, zweifache und dreifache Ergotron HX-Arme
Ergotron 45-547-216
Ergotron 45-548-216
Ergotron 98-009-216 - Stabile Konstruktion
- Tischstärke: 12-32 mm
- Kann als Ersatzhalterung genutzt werden
- Garantie: 10 Jahre
| Technische Zeichnung: | |
|---|---|
| Montageanleitung: | |
| Installationsmaterial enthalten: | + |
| Garantie: | 10 Jahre |
| Hersteller/Importeur: | Ergotron Europe, Stationsstraat 77H, 3811 MH Amersfoort, Niederlande, info.de@ergotron.com |
| Farbe: | Weiß |
Falls bei einem Produkt Warn- und Sicherheitshinweise zu beachten sind, sind diese je nach Hersteller in der jeweiligen Montageanleitung oder in einer separaten pdf zu finden. Verfügbare Dokumente zu dem Produkt entnehmen Sie den vorhandenen PDF Dateien (s.o.).
Download-Bereich - Kataloge, Flyer, Garantiebedingungen, ...
1 von 1 Bewertungen
Durchschnittliche Bewertung von 5 von 5 Sternen
5 von 5 Sternen
1 Bewertung
2. Januar 2026 17:58
Bewertung mit 5 von 5 Sternen
Solide Qualität, lief reibungslos
Robuste Verarbeitung, macht einen soliden Eindruck. Unkomplizierte Bestellung, alles reibungslos.