Freitag: 8 - 14 Uhr
04103 - 903 870
info@business-trading.com
Sie zahlen einfach vorab und erhalten die Ware bequem und günstig bei Zahlungseingang nach Hause geliefert.
Bezahlung per PayPal - einfach, schnell und sicher.
Apple Pay ist die Zahlungsmethode des Unternehmens Apple. Diese Form der Online-Überweisung steht exklusiv nur auf Apple-Geräten zur Verfügung (z.B. Mac, iPhone, iPad).
Debit- und Kreditkartenzahlungen werden mit dem Online Zahlungsdienstleister Mollie durchgeführt. Mollie unterstützt alle weltweit führenden Kreditkartenmarken.
iDEAL ist eine Online-Bezahlmethode, die ausschließlich in den Niederlanden verfügbar ist.
Zahlen Sie mit direkt von Ihrem Bankkonto. Hinweis: Die Zahlart ist nicht in allen Ländern verfügbar; siehe "Versand & Zahlung".
Zahlen Sie nach Erhalt unseres schriftlichen Rechnungsdokumentes. Eine Lieferung auf Rechnung bieten wir nur Firmen (GmbH, GmbH & Co. KG, oHG, AG oder KG), Behörden, Schulen, Konzernen und Großkunden an.
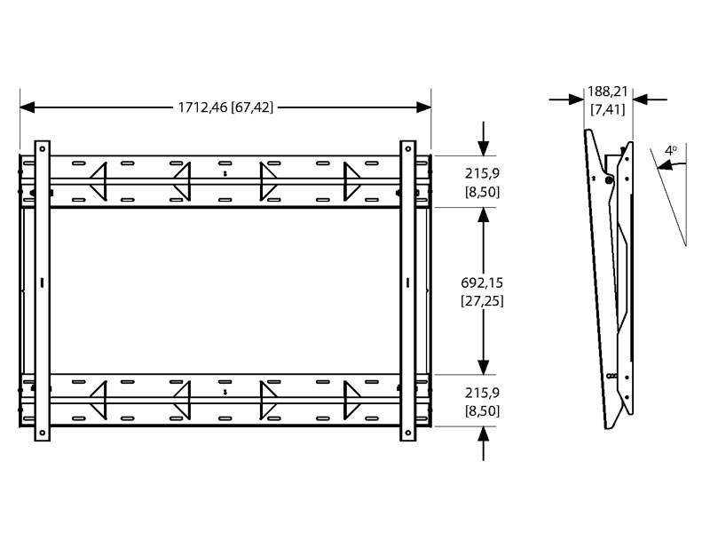
Befestigen Sie Ihren bis zu 227 kg schweren Fernseher an der Wand mit dem neigbaren Vogels PFW 6831 Display Wandhalterung für Panasonic Monitore 103 Zoll.
Vogels PFW 6831 Display Wandhalterung - Panasonic 103
Extrabreite Wandhalterung für Panasonic-Bildschirme mit Bildschirmgrößen von 103 Zoll mit einstellbarem Kippwinkel. Diese Halterung wurde speziell für das Gewicht größerer Bildschirme entwickelt und umfasst vielseitig einsetzbare und flexible Einstellungsmöglichkeiten für eine nutzerfreundliche Montagemöglichkeit.
Die Halterung ermöglicht einen 4-stufigen Kippwinkel in Stufen von jeweils 1 Grad, so dass ein optimaler Blickwinkel für große Bildschirme gewährleistet ist. Die Kabelverlegung und Montage elektrischer Komponenten ist dank des offenen, zugänglichen Designs ganz einfach.
- Display Größe: 103"
- Max. Gewicht: 227 kg
- Bis zu 20 cm Abstand zur Belüftung wie vom Hersteller empfohlen
- Spezieller Wandhalterung für Panasonic 103" Flachbildschirme
- Schrittweises Neigen um +/- 4 Grad in 1-Grad-Schritten
- Hauptfarbe: Schwarz
- Garantie: 5 Jahre
- Adapterhöhe: 1240
- Adapterbreite: 1786
- Max. Wandabstand: 217 mm
- Max. horizontal fitment (mm): 1479
- Max. vertical fitment (mm): 1180
VESA Standard - Erfahren Sie mehr über die VESA Norm von Monitorhalterungen!
| Produktdatenblatt: | |
|---|---|
| Montageanleitung: | |
| Tragkraft: | 227 kg |
| Neigung: | +/- 4° |
| Zollgröße: | 103" |
| VESA Standard: | max. 1479 x 1180 mm (www.vesa-standard.de) |
| Geeignet für: | Panasonic Displays 103" |
| Garantie: | 5 Jahre |
| Hersteller/Importeur: | Vogel's Products BV, Hondsruglaan 93, 5628 DB Eindhoven, Niederlande, E-Mail: info.de@vogels.com |
| Befestigungsart: | Wandhalterung |
| Farbe: | Schwarz |
Falls bei einem Produkt Warn- und Sicherheitshinweise zu beachten sind, sind diese je nach Hersteller in der jeweiligen Montageanleitung oder in einer separaten pdf zu finden. Verfügbare Dokumente zu dem Produkt entnehmen Sie den vorhandenen PDF Dateien (s.o.).
Download-Bereich - Kataloge, Flyer, Garantiebedingungen, ...
1 von 1 Bewertungen
Durchschnittliche Bewertung von 5 von 5 Sternen
5 von 5 Sternen
1 Bewertung
28. November 2025 09:18
Bewertung mit 5 von 5 Sternen
Alles top: Kundenservice, spitze Erfahrung
Lieferung war rasant – top Service. Wirklich schöne Optik, sieht klasse aus.